Product added to basket
World Wide Shipping with UPS within 10 Working Days!
Catalog
Scrambler
All these accessories are ready to be shipped!
Ducati Oil
DesertX
Scrambler
Multistrada
Superbike
Monster
Diavel / XDiavel
Hypermotard
Streetfighter
Sport-classic
Semi Classic
Supersport
Sport-touring
Desmosedici
USA Models
2019
2025
2024
2023
2022
2021
2020
2019
2018
2017
2016
Accessories
Scrambler Desert Sled
Scrambler Icon
Scrambler Full Throttle
Scrambler Café Racer
Scrambler Desert Sled
Scrambler 1100
Scrambler 1100 Sport
Scrambler 1100 Special
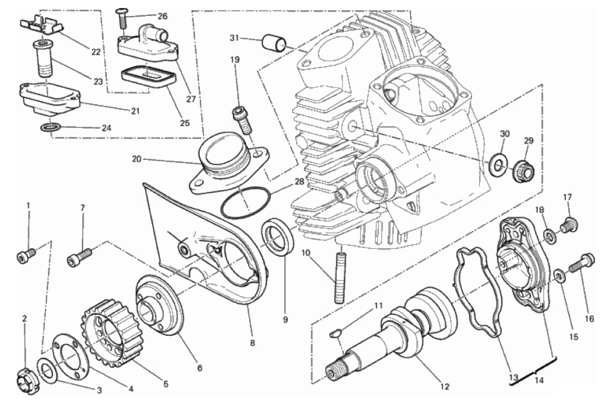
HORIZONTAL HEAD – TIMING SYSTEM
WIRING HARNESS (COIL)
VEHICLE ELECTRIC SYSTEM
BATTERY HOLDER
ELECTRICAL DEVICES
ELECTRICAL DEVICES
HEADLIGHT
TAILLIGHT
INSTRUMENT PANEL
SHIFT CAM - FORK
GEAR BOX
CLUTCH (FCC)
CLUTCH (APTC)
CLUTCH COVER
GENERATOR COVER
CONNECTING RODS
CYLINDERS - PISTONS
TIMING SYSTEM
OIL PUMP
HALF-CRANKCASES PAIR
HALF-CRANKCASES PAIR
ELECTRIC STARTING AND IGNITION
VERTICAL CYLINDER HEAD - TIMING
HORIZONTAL HEAD – TIMING SYSTEM
VERTICAL HEAD
HORIZONTAL HEAD
INTAKE MANIFOLD
STAND
FRONT SPROCKET - CHAIN
STEERING ASSEMBLY
FRONT FORK
REAR SWINGING ARM
FRONT BRAKE PUMP
FRONT BRAKE SYSTEM
BRAKING SYSTEM ABS
REAR BRAKE SYSTEM
PLATE HOLDER
HANDLEBAR
CLUTCH CONTROL
REAR SHOCK ABSORBER
FRONT MUDGUARD
FOOTRESTS, LEFT
FOOTRESTS, RIGHT
REAR MUDGUARD
FRONT WHEEL
REAR WHEEL
TANK
FUEL PUMP
EXHAUST PIPE ASSY
EXHAUST SILENCER
EXHAUST SILENCER
SEAT
FRAME
OIL COOLER
AIR INTAKE - OIL BREATHER
SECONDARY AIR SYSTEM
THROTTLE BODY
CANISTER FILTER
FAIRING
GUARD, ENGINE
Register here!
Log in to your account
0
0.00
Log in to your account
0
0.00
-
1
2
3
4
5
6
7
8
9
10
11
12
13
14
15
16
17
18
19
20
21
22
23
24
25
26
27
28
29
30
31
Products
* All prices are excl. VAT
Value in currencies other than in Euro (€) are only an indication.
American dollar ($)
Argentine Peso ($)
Australian Dollar ($)
British pounds (£)
Cambodia Riel (៛)
Canadian dollar ($)
Chilean Peso ($)
China Yuan Renminbi (¥)
Colombia Peso ($)
Croatian Kuna (kn)
Czech Koruna (Kč)
Danish Krone (kr)
Euro (€)
Gibraltar Pound (£)
Hong Kong Dollar ($)
Hungarian Forint (Ft)
India Rupee (₹)
Indonesian Rupiah (Rp)
Japanese Yen (¥)
Kuwaiti Dinar (kwd)
Malaysian Ringgit (RM)
Mexican Peso ($)
New Israeli Sheqel (₪)
New Taiwan Dollar (NT$)
New Zealand Dollar ($)
North Korean Won (₩)
Norwegian Krone (kr)
Paraguayan Guarani (Gs)
Peruvian Sol (S/.)
Philippine Peso (₱)
Polish Zloty (zł)
Russian Ruble (₽)
Singapore Dollar ($)
South African Rand (R)
South Korean Won (₩)
Swedish Krona (kr )
Swiss Franc (CHF)
Thai Baht (฿)
Turkisch Lira (₺)
Uruguayan Peso ($U)
No.
Code
Name
Price
No.
Code
Name
Price
1
77950302A
SCREW TC M6X12
€
0.93
2
70350062A
ELASTIC-STOP RING NUT
€
7.43
3
85211731A
WASHER 15.2X24X1
€
0.93
4
85610743A
WASHER, SPECIAL
€
5.13
5
25510243A
TIMING BELT PULLEY, DRIVEN T20
€
30.35
6
16011051A
RING, REAR PULLEY
€
36.09
7
77110491A
SCREW TCEI M6X18
€
0.93
8
24510822A
HORIZONTAL BELT INTERNAL COVER
€
20.12
9
93041621B
SEAL RING
€
7.73
10
76640172A
STUD BOLT M8X30
€
1.96
11
68010131A
KEY, WOODRUFF 4X5X10
€
0.93
12
14814911A
HORIZONTAL HEAD CAMSHAFT
€
416.55
13
78811111C
GASKET
€
2.99
14
23520422A4
SIDE CAP
€
42.60
15
85212461A
WASHER, BRASS 6X13X2 MM
€
0.93
16
77113861A
SCREW
€
1.96
17
77510661B
SCREW
€
1.96
18
85212971A
COPPER GASKET
€
0.93
19
77157238B
SCREW TCEIF M8X1.25X25 CH6
€
1.96
20
16014781A
INTAKE MANIFOLD
€
18.93
21
16311231A
HOLDER VALVE
€
23.43
22
82716351A
PLATE
€
5.29
23
77918701A
SCREW, SPECIAL
€
9.24
24
88640991A
O-RING
€
0.93
25
81140012B
VALVE
€
13.53
26
77240288C
SCREW
€
0.93
27
24714081A
COVER
€
20.60
28
46320222A
O-RING
€
2.99
29
74810501A
NUT
€
1.96
30
85610642A
WASHER, SPECIAL 10.5X21X2
€
0.93
31
71111261A
BUSH
€
2.99
Add to basket
77950302A
SCREW TC M6X12
€ 0.93
Add to basket
70350062A
ELASTIC-STOP RING NUT
€ 7.43
Add to basket
85211731A
WASHER 15.2X24X1
€ 0.93
Add to basket
85610743A
WASHER, SPECIAL
€ 5.13
Add to basket
25510243A
TIMING BELT PULLEY, DRIVEN T20
€ 30.35
Add to basket
16011051A
RING, REAR PULLEY
€ 36.09
Add to basket
77110491A
SCREW TCEI M6X18
€ 0.93
Add to basket
24510822A
HORIZONTAL BELT INTERNAL COVER
€ 20.12
Add to basket
93041621B
SEAL RING
€ 7.73
Add to basket
76640172A
STUD BOLT M8X30
€ 1.96
Add to basket
68010131A
KEY, WOODRUFF 4X5X10
€ 0.93
Add to basket
14814911A
HORIZONTAL HEAD CAMSHAFT
€ 416.55
Add to basket
78811111C
GASKET
€ 2.99
Add to basket
23520422A4
SIDE CAP
€ 42.60
Add to basket
85212461A
WASHER, BRASS 6X13X2 MM
€ 0.93
Add to basket
77113861A
SCREW
€ 1.96
Add to basket
77510661B
SCREW
€ 1.96
Add to basket
85212971A
COPPER GASKET
€ 0.93
Add to basket
77157238B
SCREW TCEIF M8X20
€ 1.96
Add to basket
16014781A
INTAKE MANIFOLD
€ 18.93
Add to basket
16311231A
HOLDER VALVE
€ 23.43
Add to basket
82716351A
PLATE
€ 5.29
Add to basket
77918701A
SCREW, SPECIAL
€ 9.24
Add to basket
88640991A
O-RING
€ 0.93
Add to basket
81140012B
VALVE
€ 13.53
Add to basket
77240288C
SCREW
€ 0.93
Add to basket
24714081A
COVER
€ 20.60
Add to basket
46320222A
O-RING
€ 2.99
Add to basket
74810501A
NUT M10X1.5
€ 1.96
Add to basket
85610642A
WASHER, SPECIAL 10.5X21X2
€ 0.93
Add to basket
71111261A
BUSH
€ 2.99
Add to claim
77950302A
SCREW TC M6X12
€0.93
Add to claim
70350062A
ELASTIC-STOP RING NUT
€7.43
Add to claim
85211731A
WASHER 15.2X24X1
€0.93
Add to claim
85610743A
WASHER, SPECIAL
€5.13
Add to claim
25510243A
TIMING BELT PULLEY, DRIVEN T20
€30.35
Add to claim
16011051A
RING, REAR PULLEY
€36.09
Add to claim
77110491A
SCREW TCEI M6X18
€0.93
Add to claim
24510822A
HORIZONTAL BELT INTERNAL COVER
€20.12
Add to claim
93041621B
SEAL RING
€7.73
Add to claim
76640172A
STUD BOLT M8X30
€1.96
Add to claim
68010131A
KEY, WOODRUFF 4X5X10
€0.93
Add to claim
14814911A
HORIZONTAL HEAD CAMSHAFT
€416.55
Add to claim
78811111C
GASKET
€2.99
Add to claim
23520422A4
SIDE CAP
€42.60
Add to claim
85212461A
WASHER, BRASS 6X13X2 MM
€0.93
Add to claim
77113861A
SCREW
€1.96
Add to claim
77510661B
SCREW
€1.96
Add to claim
85212971A
COPPER GASKET
€0.93
Add to claim
77157238B
SCREW TCEIF M8X20
€1.96
Add to claim
16014781A
INTAKE MANIFOLD
€18.93
Add to claim
16311231A
HOLDER VALVE
€23.43
Add to claim
82716351A
PLATE
€5.29
Add to claim
77918701A
SCREW, SPECIAL
€9.24
Add to claim
88640991A
O-RING
€0.93
Add to claim
81140012B
VALVE
€13.53
Add to claim
77240288C
SCREW
€0.93
Add to claim
24714081A
COVER
€20.60
Add to claim
46320222A
O-RING
€2.99
Add to claim
74810501A
NUT M10X1.5
€1.96
Add to claim
85610642A
WASHER, SPECIAL 10.5X21X2
€0.93
Add to claim
71111261A
BUSH
€2.99