Product added to basket
World Wide Shipping with UPS within 10 Working Days!
Catalog
Superbike
All these accessories are ready to be shipped!
Ducati Oil
DesertX
Scrambler
Multistrada
Superbike
Monster
Diavel / XDiavel
Hypermotard
Streetfighter
Sport-classic
Semi Classic
Supersport
Sport-touring
Desmosedici
USA Models
1996
2024
2023
2022
2021
2020
2019
2018
2017
2016
2015
2014
2013
2012
2011
2010
2009
2008
2007
2006
2005
2004
2003
2002
2001
1996
Superbike 748
Superbike 748
Superbike 916
HEADLIGHT
BATTERY
ENGINE CONTROL UNIT BIPOSTO
METER
HEADLIGHT
WIRING HARNESS
ENGINE CONTROL UNIT SP
GEAR CHANGE MECHANISM
GEAR BOX
CLUTCH
CLUTCH COVER
CRANKSHAFT
CYLINDER - PISTON
TIMING BELT
OIL PUMP - FILTER DUAL SEATER
CRANKCASE
GENERATOR COVER
GENERATOR - STARTING MOTOR
CAMSHAFT
CYLINDER HEAD
INTAKE MANIFOLD
THROTTLE BODY
OIL PUMP - FILTER SP
OIL COOLER SP
EXHAUST SYSTEM
HANDLEBAR
FRAME
CLUTCH MASTER CYLINDER
FRONT BRAKE SYSTEM
REAR BRAKE SYSTEM
WHEELS
HUB, REAR WHEEL
REAR FRAME BIPOSTO
REAR SHOCK ABSORBER
INTAKE
WATER COOLER
FUEL TANK
SEAT BIPOSTO
COWLING
FILTER CANISTER USA
WARNING LABELS USA
FRONT FORK
REAR FRAME SP
REAR FRAME USA
REAR SHOCK ABSORBER
FUEL PUMP
SEAT SP
FAIRING
COOLING CIRCUIT
WORKSHOP SERVICE TOOLS, ENGINE
WORKSHOP SERVICE TOOLS, FRAME
Register here!
Log in to your account
0
0.00
Log in to your account
0
0.00
-
1
1
1
1
1
1
2
3
4
5
6
7
8
9
10
11
12
13
14
14
15
16
17
18
19
20
21
22
23
24
25
26
27
28
29
Products
* All prices are excl. VAT
Value in currencies other than in Euro (€) are only an indication.
American dollar ($)
Argentine Peso ($)
Australian Dollar ($)
British pounds (£)
Cambodia Riel (៛)
Canadian dollar ($)
Chilean Peso ($)
China Yuan Renminbi (¥)
Colombia Peso ($)
Croatian Kuna (kn)
Czech Koruna (Kč)
Danish Krone (kr)
Euro (€)
Gibraltar Pound (£)
Hong Kong Dollar ($)
Hungarian Forint (Ft)
India Rupee (₹)
Indonesian Rupiah (Rp)
Japanese Yen (¥)
Kuwaiti Dinar (kwd)
Malaysian Ringgit (RM)
Mexican Peso ($)
New Israeli Sheqel (₪)
New Taiwan Dollar (NT$)
New Zealand Dollar ($)
North Korean Won (₩)
Norwegian Krone (kr)
Paraguayan Guarani (Gs)
Peruvian Sol (S/.)
Philippine Peso (₱)
Polish Zloty (zł)
Russian Ruble (₽)
Singapore Dollar ($)
South African Rand (R)
South Korean Won (₩)
Swedish Krona (kr )
Swiss Franc (CHF)
Thai Baht (฿)
Turkisch Lira (₺)
Uruguayan Peso ($U)
No.
Code
Name
Price
No.
Code
Name
Price
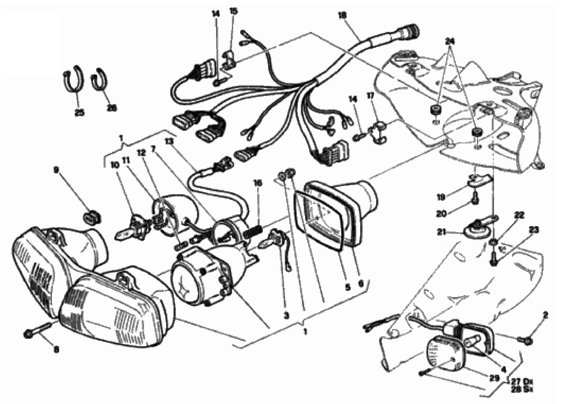
1
52040043C
COMPLETE HEADLIGHT L.H. DRIVE
€
606.86
1
52040043A
HEADLIGHT
€
569.42
1
52040082A
COMPLETE HEADLIGHT
€
205.55
2
77156678B
SCREW TCEIF M6X1.00X20 CH5
€
1.96
3
000079673
BULB 12V 55W H3 HALOGEN
€
8.01
4
800036726
BULB
€
4.02
5
52140101A
GASKET
€
6.89
6
52140071A
COVER
€
10.60
7
52140081A
HEADLIGHT COVER
€
9.74
8
77156722B
SCREW M6X35
€
1.96
9
70010201A
DAMPER
€
2.99
10
000079672
BULB 12V 55W H1 HALOGEN
€
8.01
11
52140091A
HEADLIGHT COVER
€
11.55
12
800036230
WEDGE BASE BULB 12V5W
€
2.99
13
51010821A
ELECTRIC WIRING
€
100.16
14
77156398B
SCREW
€
1.96
15
82710891A
RIGHT PLATE
€
0.93
16
79910641A
SPRING
€
1.96
17
82710901AA
LEFT PLATE
€
17.03
18
51010602A
HEAD LIGHT WIRING HARNESS
€
113.39
19
82710951A
PLATE
€
2.99
20
77250968B
SCREW TEF M6X1.00X10 CH8
€
1.96
21
51640011AB
HORN
€
31.89
22
71610281A
SPACER
€
4.02
23
77250988B
SCREW TEF M6X1.00X14 CH8
€
0.93
24
76410841A
VIBRATION DAMPER PAD
€
0.93
25
74110121A
CLAMP, RUBBER 62MM
€
1.96
26
000053724
CLAMP
€
0.00
27
800074505
FLASHER LIGHT
€
16.16
28
800074504
FLASHER LIGHT
€
16.16
29
000074507
LENS FLASHER LIGHT
€
0.00
Add to basket
52040043C
COMPLETE HEADLIGHT L.H. DRIVE
€ 606.86
52040043A
HEADLIGHT
€ 569.42
52040082A
COMPLETE HEADLIGHT
€ 205.55
Add to basket
77156678B
SCREW TCEIF M6X20
€ 1.96
Add to basket
000079673
BULB 12V 55W H3 HALOGEN
€ 8.01
Add to basket
800036726
BULB
€ 4.02
Add to basket
52140101A
GASKET
€ 6.89
Add to basket
52140071A
COVER
€ 10.60
Add to basket
52140081A
HEADLIGHT COVER
€ 9.74
Add to basket
77156722B
SCREW M6X35
€ 1.96
Add to basket
70010201A
DAMPER
€ 2.99
Add to basket
000079672
BULB 12V 55W H1 HALOGEN
€ 8.01
Add to basket
52140091A
HEADLIGHT COVER
€ 11.55
Add to basket
800036230
WEDGE BASE BULB 12V5W
€ 2.99
Add to basket
51010821A
ELECTRIC WIRING
€ 100.16
Add to basket
77156398B
SCREW TCEIF M5X12
€ 1.96
Add to basket
82710891A
RIGHT PLATE
€ 0.93
Add to basket
79910641A
SPRING
€ 1.96
Add to basket
82710901AA
LEFT PLATE
€ 17.03
Add to basket
51010602A
HEAD LIGHT WIRING HARNESS
€ 113.39
Add to basket
82710951A
PLATE
€ 2.99
Add to basket
77250968B
SCREW TEF M6X10
€ 1.96
Add to basket
51640011AB
HORN
€ 31.89
Add to basket
71610281A
SPACER
€ 4.02
Add to basket
77250988B
SCREW TEF M6X14
€ 0.93
Add to basket
76410841A
VIBRATION DAMPER PAD
€ 0.93
Add to basket
74110121A
CLAMP, RUBBER 62MM
€ 1.96
Add to basket
000053724
CLAMP
€ 0.00
Add to basket
800074505
FLASHER LIGHT
€ 16.16
Add to basket
800074504
FLASHER LIGHT
€ 16.16
Add to basket
000074507
LENS FLASHER LIGHT
€ 0.00
Add to claim
52040043C
COMPLETE HEADLIGHT L.H. DRIVE
€606.86
52040043A
HEADLIGHT
€569.42
52040082A
COMPLETE HEADLIGHT
€205.55
Add to claim
77156678B
SCREW TCEIF M6X20
€1.96
Add to claim
000079673
BULB 12V 55W H3 HALOGEN
€8.01
Add to claim
800036726
BULB
€4.02
Add to claim
52140101A
GASKET
€6.89
Add to claim
52140071A
COVER
€10.60
Add to claim
52140081A
HEADLIGHT COVER
€9.74
Add to claim
77156722B
SCREW M6X35
€1.96
Add to claim
70010201A
DAMPER
€2.99
Add to claim
000079672
BULB 12V 55W H1 HALOGEN
€8.01
Add to claim
52140091A
HEADLIGHT COVER
€11.55
Add to claim
800036230
WEDGE BASE BULB 12V5W
€2.99
Add to claim
51010821A
ELECTRIC WIRING
€100.16
Add to claim
77156398B
SCREW TCEIF M5X12
€1.96
Add to claim
82710891A
RIGHT PLATE
€0.93
Add to claim
79910641A
SPRING
€1.96
Add to claim
82710901AA
LEFT PLATE
€17.03
Add to claim
51010602A
HEAD LIGHT WIRING HARNESS
€113.39
Add to claim
82710951A
PLATE
€2.99
Add to claim
77250968B
SCREW TEF M6X10
€1.96
Add to claim
51640011AB
HORN
€31.89
Add to claim
71610281A
SPACER
€4.02
Add to claim
77250988B
SCREW TEF M6X14
€0.93
Add to claim
76410841A
VIBRATION DAMPER PAD
€0.93
Add to claim
74110121A
CLAMP, RUBBER 62MM
€1.96
Add to claim
000053724
CLAMP
€0.00
Add to claim
800074505
FLASHER LIGHT
€16.16
Add to claim
800074504
FLASHER LIGHT
€16.16
Add to claim
000074507
LENS FLASHER LIGHT
€0.00