Producto añadido a la cesta
World Wide Shipping with UPS within 10 Working Days!
Catálogo
Diavel / XDiavel
All these accessories are ready to be shipped!
Ducati Oil
DesertX
Scrambler
Multistrada
Superbike
Monster
Diavel / XDiavel
Hypermotard
Streetfighter
Sport-classic
Semi Classic
Supersport
Sport-touring
Desmosedici
USA Models
2021
2024
2023
2022
2021
2020
2019
2018
2017
2016
2015
2014
2013
2012
2011
Diavel XDiavel Dark
Diavel 1260
Diavel 1260 S
Diavel XDiavel Black Star
Diavel XDiavel Dark
XDiavel S
Diavel 1260 Lamborghini
Register here!
Log in to your account
0
0.00
Log in to your account
0
0.00
-
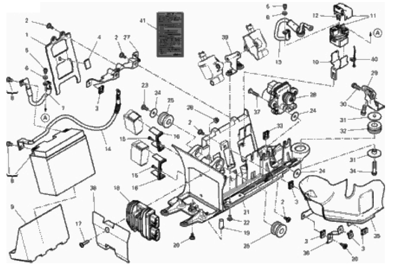
BATTERY HOLDER
BATTERY HOLDER
HEADLIGHT
WIRING HARNESS
INSTRUMENT PANEL
PLATE HOLDER
PLATE HOLDER
GEAR CHANGE MECHANISM
GEAR BOX
CLUTCH
CLUTCH COVER (4/18)
CONNECTING RODS
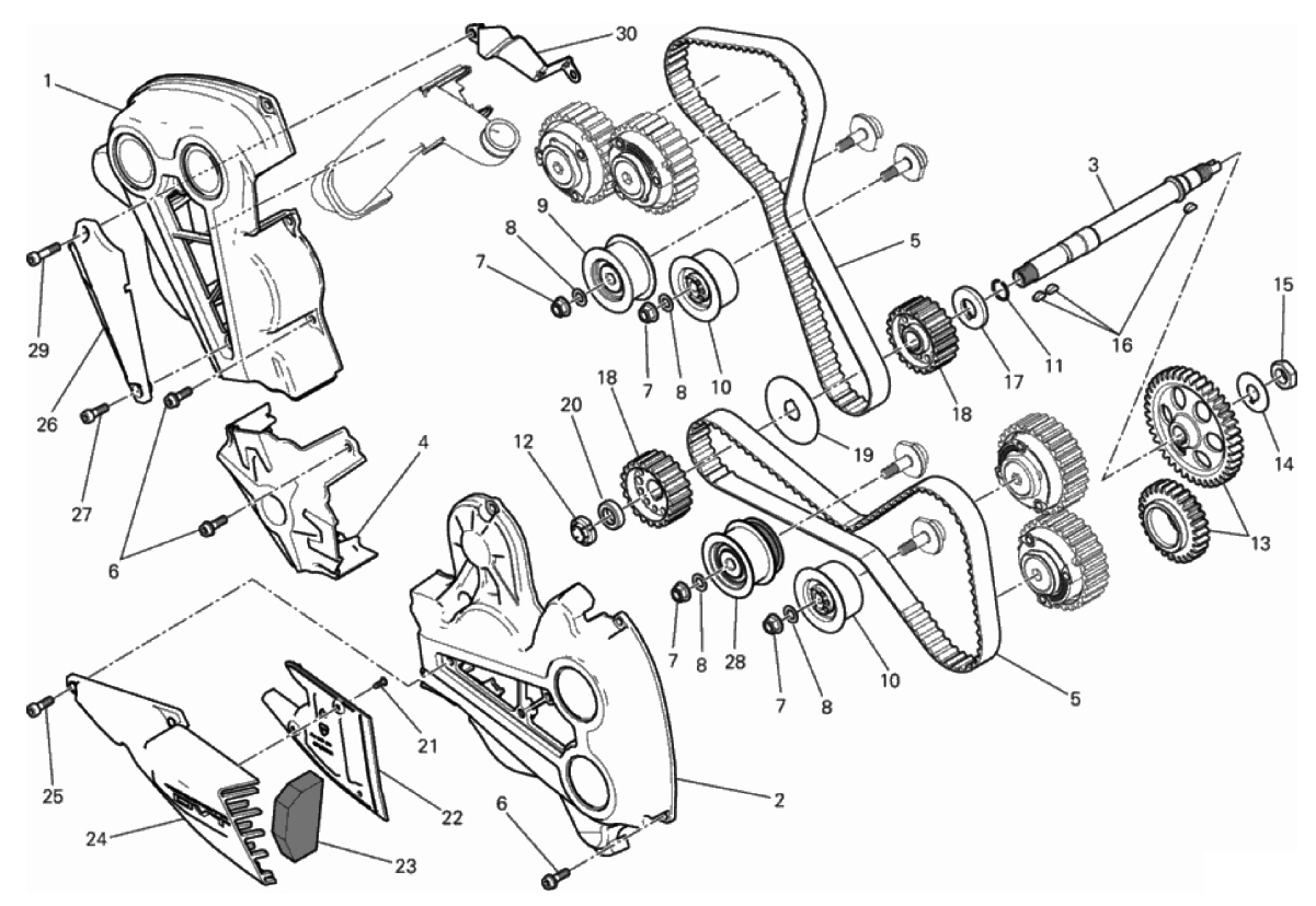
TIMING SYSTEM
OIL PUMP - FILTER
HALF-CRANKCASES PAIR
GENERATOR COVER
ELECTRIC STARTING AND IGNITION (10/18)
VERTICAL CYLINDER HEAD - TIMING
VERTICAL HEAD
HORIZONTAL HEAD
WATER PUMP
CYLINDERS - PISTONS (KOENIG)
CYLINDERS - PISTONS (ASSO WERKE)
HALF-CRANKCASES PAIR
HORIZONTAL HEAD – TIMING SYSTEM
OIL COOLER
THROTTLE BODY
EXHAUST SYSTEM
HANDLEBAR
FRAME
FRAME
CLUTCH MASTER CYLINDER
FRONT BRAKE SYSTEM
REAR BRAKE SYSTEM
WHEELS
REAR FRAME COMP.
REAR SHOCK ABSORBER
INTAKE
WATER COOLER
COOLING CIRCUIT
FUEL TANK
SEAT
FAIRING
HOT AIR PIPE CANISTER
WARNING LABELS
FRONT FORK
SIDE STAND
BRAKING SYSTEM ABS
HUB, REAR WHEEL
FOOTRESTS, LEFT
FOOTRESTS, RIGHT
SWING ARM
WORKSHOP SERVICE TOOLS, ENGINE
WORKSHOP SERVICE TOOLS, FRAME
DDS (2) TESTER