Producto añadido a la cesta
World Wide Shipping with UPS within 10 Working Days!
Catálogo
Diavel / XDiavel
All these accessories are ready to be shipped!
Ducati Oil
DesertX
Scrambler
Multistrada
Superbike
Monster
Diavel / XDiavel
Hypermotard
Streetfighter
Sport-classic
Semi Classic
Supersport
Sport-touring
Desmosedici
USA Models
2018
2024
2023
2022
2021
2020
2019
2018
2017
2016
2015
2014
2013
2012
2011
XDiavel S
Diavel Carbon FL
Diavel FL
XDiavel
XDiavel S
REAR SHOCK ABSORBER
BATTERY HOLDER
HEADLIGHT
WIRING HARNESS
INSTRUMENT PANEL
PLATE HOLDER
PLATE HOLDER
GEAR CHANGE MECHANISM
GEAR BOX
CLUTCH
CLUTCH COVER
CONNECTING RODS
CYLINDERS - PISTONS
DISTRIBUZIONE
OIL PUMP - FILTER
HALF-CRANKCASES PAIR
GENERATOR COVER
ELECTRIC STARTING AND IGNITION
VERTICAL CYLINDER HEAD - TIMING
VERTICAL HEAD
HORIZONTAL HEAD
POMPA ACQUA
HALF-CRANKCASES PAIR
TESTA ORIZZONTALE - DISTRIBUZIONE
OIL COOLER
THROTTLE BODY
EXHAUST SYSTEM
HANDLEBAR
FRAME
CLUTCH MASTER CYLINDER
FRONT BRAKE SYSTEM
REAR BRAKE SYSTEM
WHEELS
REAR FRAME COMP.
REAR SHOCK ABSORBER
INTAKE
WATER COOLER
COOLING CIRCUIT
FUEL TANK
FUEL TANK
FUEL TANK
SEAT
FAIRING
HOT AIR PIPE CANISTER
ACCESSORIES
FRONT FORK
SIDE STAND
BRAKING SYSTEM ABS
HUB, REAR WHEEL
FOOTRESTS, LEFT
FOOTRESTS, RIGHT
SWING ARM
WORKSHOP SERVICE TOOLS, ENGINE
WORKSHOP SERVICE TOOLS, FRAME
DDS (2) TESTER
Register here!
Log in to your account
0
0.00
Log in to your account
0
0.00
-
1
1
2
3
4
5
6
7
8
8
9
10
10
11
11
12
13
13
14
14
15
16
17
18
19
20
21
22
23
24
25
Productos
* All prices are excl. VAT
Value in currencies other than in Euro (€) are only an indication.
American dollar ($)
Argentine Peso ($)
Australian Dollar ($)
British pounds (£)
Cambodia Riel (៛)
Canadian dollar ($)
Chilean Peso ($)
China Yuan Renminbi (¥)
Colombia Peso ($)
Croatian Kuna (kn)
Czech Koruna (Kč)
Danish Krone (kr)
Euro (€)
Gibraltar Pound (£)
Hong Kong Dollar ($)
Hungarian Forint (Ft)
India Rupee (₹)
Indonesian Rupiah (Rp)
Japanese Yen (¥)
Kuwaiti Dinar (kwd)
Malaysian Ringgit (RM)
Mexican Peso ($)
New Israeli Sheqel (₪)
New Taiwan Dollar (NT$)
New Zealand Dollar ($)
North Korean Won (₩)
Norwegian Krone (kr)
Paraguayan Guarani (Gs)
Peruvian Sol (S/.)
Philippine Peso (₱)
Polish Zloty (zł)
Russian Ruble (₽)
Singapore Dollar ($)
South African Rand (R)
South Korean Won (₩)
Swedish Krona (kr )
Swiss Franc (CHF)
Thai Baht (฿)
Turkisch Lira (₺)
Uruguayan Peso ($U)
No.
Código
Nombre
Precio
No.
Código
Nombre
Precio
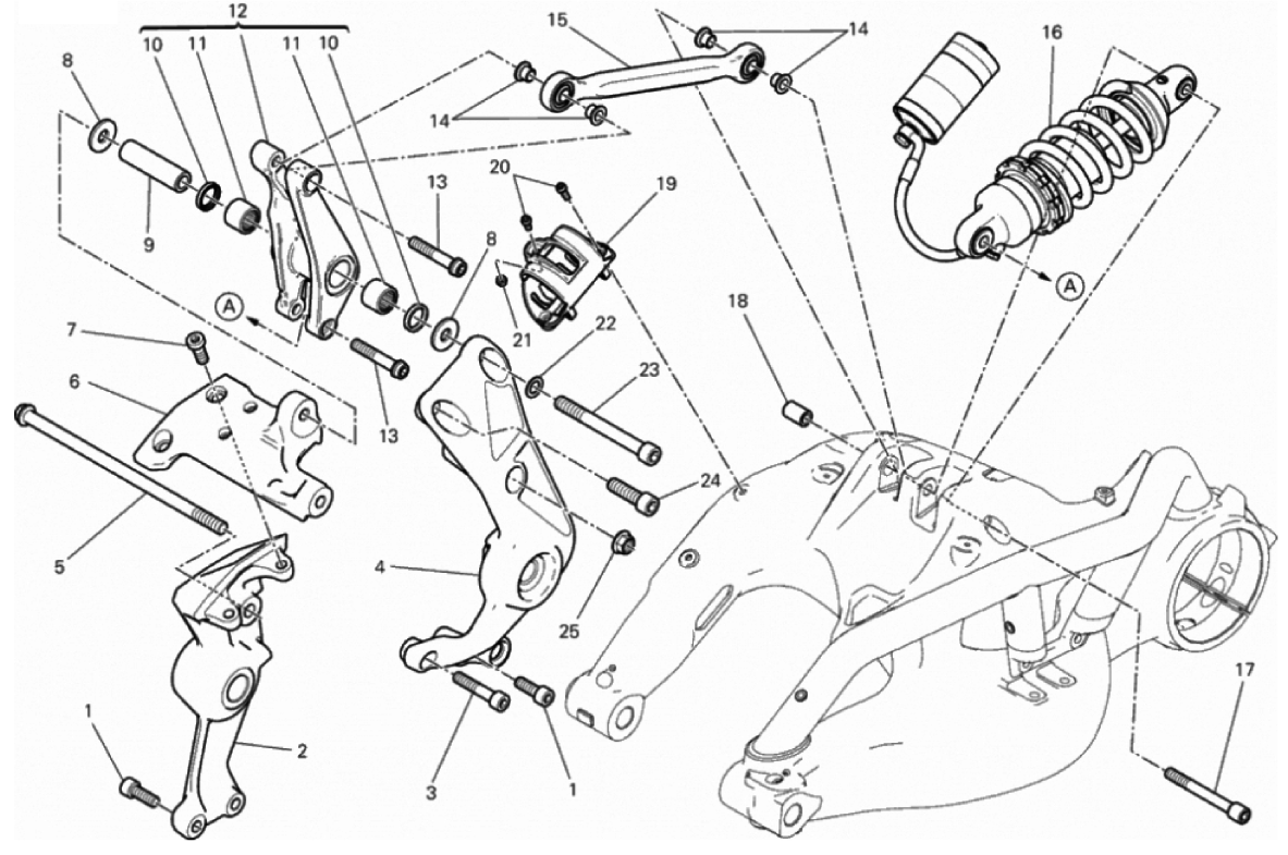
1
77151568C
SCREW
€
0.93
2
47110622AA
PLATE R.H.
€
250.35
3
7715160BF
SCREW M10X50
€
1.96
4
47110612BA
PLATE L.H.
€
250.35
5
77918151AA
SCREW
€
19.86
6
47110601AB
PLATE
€
141.22
7
77351548C
SCREW M10X25
€
1.96
8
85213841AA
WASHER
€
5.05
9
71510071B
SPACER
€
15.89
10
93041271A
OIL SEAL
€
2.99
11
70140381A
BEARING, NEEDLE
€
9.42
12
37221862AA
LEVER SET, REAR CUSHION (Unit)
€
211.81
13
77159388B
SCREW TCEIF M10X50X1.25
€
5.05
14
71011321A
BUSH 10X18X11
€
5.75
15
37220851A
ROD
€
124.16
16
36521471C
REAR SHOCK ABSORBER
€
622.61
17
77110161A
SCREW
€
6.77
18
75011171A
NUT, SPECIAL
€
13.58
19
8291E961A
TANK SUPPORT
€
11.56
20
77156413B
SCREW TCEIF M5X16
€
1.96
21
74750111A
NUT M5
€
0.93
22
85213941AA
WASHER
€
1.96
23
77110641AA
SCREW, SPECIAL
€
8.44
24
7715186BF
SCREW
€
2.99
25
74841011AA
NUT, FLANGE
€
1.96
Añadir a la cesta
77151568C
SCREW
€ 0.93
Añadir a la cesta
47110622AA
PLATE R.H.
€ 250.35
Añadir a la cesta
7715160BF
SCREW M10X50
€ 1.96
Añadir a la cesta
47110612BA
PLATE L.H.
€ 250.35
Añadir a la cesta
77918151AA
SCREW, SPECIAL
€ 19.86
Añadir a la cesta
47110601AB
CENTRAL PLATE
€ 141.22
Añadir a la cesta
77351548C
SCREW M10X25
€ 1.96
Añadir a la cesta
85213841AA
WASHER
€ 5.05
Añadir a la cesta
71510071B
SPACER
€ 15.89
Añadir a la cesta
93041271A
SEAL RING 20X26X4
€ 2.99
Añadir a la cesta
70140381A
BEARING, NEEDLE
€ 9.42
Añadir a la cesta
37221862AA
LEVER SET, REAR CUSHION (Unit)
€ 211.81
Añadir a la cesta
77159388B
SCREW TCEIF M10X50X1.25
€ 5.05
Añadir a la cesta
71011321A
BUSH 10X18X11
€ 5.75
Añadir a la cesta
37220851A
ROD
€ 124.16
Añadir a la cesta
36521471C
REAR SHOCK ABSORBER
€ 622.61
Añadir a la cesta
77110161A
SCREW
€ 6.77
Añadir a la cesta
75011171A
NUT, SPECIAL
€ 13.58
Añadir a la cesta
8291E961A
TANK SUPPORT
€ 11.56
Añadir a la cesta
77156413B
SCREW TCEIF M5X16
€ 1.96
Añadir a la cesta
74750111A
NUT M5
€ 0.93
Añadir a la cesta
85213941AA
WASHER
€ 1.96
Añadir a la cesta
77110641AA
SCREW, SPECIAL
€ 8.44
Añadir a la cesta
7715186BF
SCREW
€ 2.99
Añadir a la cesta
74841011AA
NUT, FLANGE
€ 1.96
Add to claim
77151568C
SCREW
€0.93
Add to claim
47110622AA
PLATE R.H.
€250.35
Add to claim
7715160BF
SCREW M10X50
€1.96
Add to claim
47110612BA
PLATE L.H.
€250.35
Add to claim
77918151AA
SCREW, SPECIAL
€19.86
Add to claim
47110601AB
CENTRAL PLATE
€141.22
Add to claim
77351548C
SCREW M10X25
€1.96
Add to claim
85213841AA
WASHER
€5.05
Add to claim
71510071B
SPACER
€15.89
Add to claim
93041271A
SEAL RING 20X26X4
€2.99
Add to claim
70140381A
BEARING, NEEDLE
€9.42
Add to claim
37221862AA
LEVER SET, REAR CUSHION (Unit)
€211.81
Add to claim
77159388B
SCREW TCEIF M10X50X1.25
€5.05
Add to claim
71011321A
BUSH 10X18X11
€5.75
Add to claim
37220851A
ROD
€124.16
Add to claim
36521471C
REAR SHOCK ABSORBER
€622.61
Add to claim
77110161A
SCREW
€6.77
Add to claim
75011171A
NUT, SPECIAL
€13.58
Add to claim
8291E961A
TANK SUPPORT
€11.56
Add to claim
77156413B
SCREW TCEIF M5X16
€1.96
Add to claim
74750111A
NUT M5
€0.93
Add to claim
85213941AA
WASHER
€1.96
Add to claim
77110641AA
SCREW, SPECIAL
€8.44
Add to claim
7715186BF
SCREW
€2.99
Add to claim
74841011AA
NUT, FLANGE
€1.96