Producto añadido a la cesta
World Wide Shipping with UPS within 10 Working Days!
Catálogo
Sport-touring
All these accessories are ready to be shipped!
Ducati Oil
DesertX
Scrambler
Multistrada
Superbike
Monster
Diavel / XDiavel
Hypermotard
Streetfighter
Sport-classic
Semi Classic
Supersport
Sport-touring
Desmosedici
USA Models
2002
2007
2006
2005
2004
2003
2002
2001
ST4
ST4
ST4 S
Register here!
Log in to your account
0
0.00
Log in to your account
0
0.00
-
WORKSHOP SPECIAL TOOLS
WORKSHOP SPECIAL TOOLS
DIAGNOSIS TESTER MATHESIS
WORKSHOP SPECIAL TOOLS
GEARCHANGE
GEAR-BOX
CLUTCH
CLUTCH COVER
CRANKSHAFT
CYLINDERS - PISTONS
TIMING
FILTERS AND OIL PUMP
HALF CRANKCASES
WATER PUMP - ALTERNATOR COVER
ELECTRIC STARTER AND IGNITION
HEAD: TIMING
HEAD
COLLECTORS AND HEAD COVERS
THROTTLE BODY
EXHAUST SYSTEM
STANDS
FRAME
L.H. FOOT RESTS
R.H. FOOT RESTS
HEADLIGHT HOLDER
HEAD-LIGHT AND ELECTRIC WIRING
INSTRUMENT PANEL
HANDLEBAR AND CONTROLS
FRONT FORK
CLUTCH CONTROL
FRONT HYDRAULIC BRAKE
WATER RADIATOR ASSY
COOLING CIRCUIT
ELECTRIC SYSTEM
BATTERY BOX MOUNT
AIR INDUCTIO AND OIL VENT
SWINGARM AND CHAIN
REAR SUSPENSION
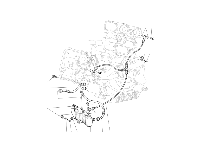
OIL COOLER
REAR HYDRAULIC BRAKE
WHEELS
NUMBER PLATE HOLDER
SEAT
FUEL TANK
FUEL SYSTEM
HEADLIGHT FAIRING
FAIRING
PANNIERS FASTENS
SIDE PANNIERS