Producto añadido a la cesta
World Wide Shipping with UPS within 10 Working Days!
Catálogo
Scrambler
All these accessories are ready to be shipped!
Ducati Oil
DesertX
Scrambler
Multistrada
Superbike
Monster
Diavel / XDiavel
Hypermotard
Streetfighter
Sport-classic
Semi Classic
Supersport
Sport-touring
Desmosedici
USA Models
2019
2025
2024
2023
2022
2021
2020
2019
2018
2017
2016
Accessories
Scrambler 1100 Special
Scrambler Icon
Scrambler Full Throttle
Scrambler Café Racer
Scrambler Desert Sled
Scrambler 1100
Scrambler 1100 Sport
Scrambler 1100 Special
SHIFT CAM - FORK
WIRING HARNESS (COIL)
VEHICLE ELECTRIC SYSTEM
BATTERY HOLDER
ELECTRICAL DEVICES
ELECTRICAL DEVICES
HEADLIGHT
TAILLIGHT
INSTRUMENT PANEL
SHIFT CAM - FORK
GEAR BOX
CLUTCH
CLUTCH COVER
GENERATOR COVER
CONNECTING RODS
CYLINDERS - PISTONS
TIMING SYSTEM
OIL PUMP
HALF-CRANKCASES PAIR
HALF-CRANKCASES PAIR
ELECTRIC STARTING AND IGNITION
VERTICAL CYLINDER HEAD - TIMING
HORIZONTAL HEAD – TIMING SYSTEM
VERTICAL HEAD
HORIZONTAL HEAD
STAND
FRONT SPROCKET - CHAIN
STEERING ASSEMBLY
FRONT FORK
REAR SWINGING ARM
FRONT BRAKE PUMP
FRONT BRAKE SYSTEM
BRAKING SYSTEM ABS
REAR BRAKE SYSTEM
PLATE HOLDER
HANDLEBAR
CLUTCH CONTROL
REAR SHOCK ABSORBER
FRONT MUDGUARD
FOOTRESTS, LEFT
FOOTRESTS, RIGHT
REAR MUDGUARD
FRONT WHEEL
REAR WHEEL
TANK
TANK
EXHAUST PIPE ASSY
EXHAUST SILENCER
SEAT
FRAME
REAR FRAME COMP.
OIL COOLER
AIR INTAKE - OIL BREATHER
SECONDARY AIR SYSTEM
THROTTLE BODY
CANISTER FILTER
FAIRING
POSITIONING PLATES
DDS (2) TESTER
WORKSHOP SERVICE TOOLS, ENGINE
WORKSHOP SERVICE TOOLS, FRAME
Register here!
Log in to your account
0
0.00
Log in to your account
0
0.00
-
1
2
3
4
5
6
7
8
9
10
11
12
13
13
14
15
16
17
18
19
20
21
22
23
24
25
25
25
Productos
* All prices are excl. VAT
Value in currencies other than in Euro (€) are only an indication.
American dollar ($)
Argentine Peso ($)
Australian Dollar ($)
British pounds (£)
Cambodia Riel (៛)
Canadian dollar ($)
Chilean Peso ($)
China Yuan Renminbi (¥)
Colombia Peso ($)
Croatian Kuna (kn)
Czech Koruna (Kč)
Danish Krone (kr)
Euro (€)
Gibraltar Pound (£)
Hong Kong Dollar ($)
Hungarian Forint (Ft)
India Rupee (₹)
Indonesian Rupiah (Rp)
Japanese Yen (¥)
Kuwaiti Dinar (kwd)
Malaysian Ringgit (RM)
Mexican Peso ($)
New Israeli Sheqel (₪)
New Taiwan Dollar (NT$)
New Zealand Dollar ($)
North Korean Won (₩)
Norwegian Krone (kr)
Paraguayan Guarani (Gs)
Peruvian Sol (S/.)
Philippine Peso (₱)
Polish Zloty (zł)
Russian Ruble (₽)
Singapore Dollar ($)
South African Rand (R)
South Korean Won (₩)
Swedish Krona (kr )
Swiss Franc (CHF)
Thai Baht (฿)
Turkisch Lira (₺)
Uruguayan Peso ($U)
No.
Código
Nombre
Precio
No.
Código
Nombre
Precio
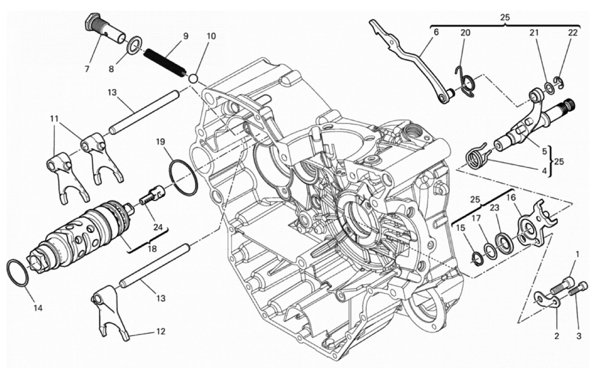
1
77151250ZF
SCREW
€
0.93
2
71319151A
SPACER
€
2.99
3
77150670ZF
SCREW
€
0.93
4
79915061A
SPRING SHIFT RETURN
€
4.02
5
82114731A
GEAR SELECTOR SHAFT
€
110.66
6
18020401A
CONTROL FORK
€
19.26
7
77912033A
SCREW M16X1.5
€
6.60
8
027291090
GASKET 16.2X24X2
€
0.93
9
066013143
GEAR SELECTOR SPRING
€
1.96
10
768351134
BALL 11MM
€
0.93
11
180Z0031A
1ST,4TH-2ND,3RD GEAR SELECTOR FORK
€
67.02
12
180Z0041A
FORK-SHIFT, 5TH&6TH
€
67.02
13
82113881A
FORK PIN
€
8.20
14
85210051A
THRUST WASHER 1 MM
€
1.96
15
735001542
CIRCLIP 15 DIN 471
€
0.93
16
82610261A
STOPPER PLATE
€
20.63
17
040029126
THRUST WASHER 15.5X22X0.5
€
1.96
18
18220671A
COMPLETE GEARBOX DRUM
€
120.50
19
85210941A
THRUST WASHER 45.2X49X0.9
€
2.99
20
79912961A
RETURN SPRING
€
2.99
21
076592205
THRUST WASHER 10.5X15X0.2
€
0.93
22
88450341B
RING, BENZING 8MM DIN 6799
€
0.93
23
88110121A
CENTERING RING
€
18.91
24
55214911A
MAGNETE (Unit)
€
65.96
25
82120151A
CONTROL FORK
€
147.62
Añadir a la cesta
77151250ZF
SCREW
€ 0.93
Añadir a la cesta
71319151A
SPACER
€ 2.99
Añadir a la cesta
77150670ZF
SCREW
€ 0.93
Añadir a la cesta
79915061A
SPRING, SHIFT RETURN
€ 4.02
Añadir a la cesta
82114731A
GEAR SELECTOR SHAFT
€ 110.66
Añadir a la cesta
18020401A
CONTROL FORK
€ 19.26
Añadir a la cesta
77912033A
SCREW M16X1.5
€ 6.60
Añadir a la cesta
027291090
GASKET 16.2X24X2
€ 0.93
Añadir a la cesta
066013143
GEAR SELECTOR SPRING
€ 1.96
Añadir a la cesta
768351134
BALL 11MM
€ 0.93
Añadir a la cesta
180Z0031A
GEAR SELECTOR FORK,1ST/4TH-2ND/3RD
€ 67.02
Añadir a la cesta
180Z0041A
FORK-SHIFT, 5TH&6TH
€ 67.02
Añadir a la cesta
82113881A
FORK PIN
€ 8.20
Añadir a la cesta
85210051A
THRUST WASHER 1 MM
€ 1.96
Añadir a la cesta
735001542
CIRCLIP 15 DIN 471
€ 0.93
Añadir a la cesta
82610261A
STOPPER PLATE
€ 20.63
Añadir a la cesta
040029126
THRUST WASHER 15.5X22X0.5
€ 1.96
Añadir a la cesta
18220671A
COMPLETE GEARBOX DRUM
€ 120.50
Añadir a la cesta
85210941A
THRUST WASHER 45.2X49X0.9
€ 2.99
Añadir a la cesta
79912961A
RETURN SPRING
€ 2.99
Añadir a la cesta
076592205
THRUST WASHER 10.5X15X0.2
€ 0.93
Añadir a la cesta
88450341B
SPRING RING
€ 0.93
Añadir a la cesta
88110121A
CENTERING RING
€ 18.91
Añadir a la cesta
55214911A
MAGNETE (Unit)
€ 65.96
Añadir a la cesta
82120151A
CONTROL FORK
€ 147.62
Add to claim
77151250ZF
SCREW
€0.93
Add to claim
71319151A
SPACER
€2.99
Add to claim
77150670ZF
SCREW
€0.93
Add to claim
79915061A
SPRING, SHIFT RETURN
€4.02
Add to claim
82114731A
GEAR SELECTOR SHAFT
€110.66
Add to claim
18020401A
CONTROL FORK
€19.26
Add to claim
77912033A
SCREW M16X1.5
€6.60
Add to claim
027291090
GASKET 16.2X24X2
€0.93
Add to claim
066013143
GEAR SELECTOR SPRING
€1.96
Add to claim
768351134
BALL 11MM
€0.93
Add to claim
180Z0031A
GEAR SELECTOR FORK,1ST/4TH-2ND/3RD
€67.02
Add to claim
180Z0041A
FORK-SHIFT, 5TH&6TH
€67.02
Add to claim
82113881A
FORK PIN
€8.20
Add to claim
85210051A
THRUST WASHER 1 MM
€1.96
Add to claim
735001542
CIRCLIP 15 DIN 471
€0.93
Add to claim
82610261A
STOPPER PLATE
€20.63
Add to claim
040029126
THRUST WASHER 15.5X22X0.5
€1.96
Add to claim
18220671A
COMPLETE GEARBOX DRUM
€120.50
Add to claim
85210941A
THRUST WASHER 45.2X49X0.9
€2.99
Add to claim
79912961A
RETURN SPRING
€2.99
Add to claim
076592205
THRUST WASHER 10.5X15X0.2
€0.93
Add to claim
88450341B
SPRING RING
€0.93
Add to claim
88110121A
CENTERING RING
€18.91
Add to claim
55214911A
MAGNETE (Unit)
€65.96
Add to claim
82120151A
CONTROL FORK
€147.62