Producto añadido a la cesta
World Wide Shipping with UPS within 10 Working Days!
Catálogo
Multistrada
All these accessories are ready to be shipped!
Ducati Oil
DesertX
Scrambler
Multistrada
Superbike
Monster
Diavel / XDiavel
Hypermotard
Streetfighter
Sport-classic
Semi Classic
Supersport
Sport-touring
Desmosedici
USA Models
2022
2025
2024
2023
2022
2021
2020
2019
2018
2017
2016
2015
2014
2013
2012
2011
2010
2009
2008
2007
2006
2005
2004
2003
Multistrada V4 Pikes Peak
Multistrada V2
Multistrada V2 S
Multistrada V2 S Travel
Multistrada V4
Multistrada V4 S
Multistrada V4 S Sport
Multistrada V4 S Radar
Multistrada V4 S Travel Radar
Multistrada V4 S Full
Multistrada V4 Pikes Peak
09B HALF-CRANKCASES PAIR (12/18)
13A ENGINE ELECTRIC SYSTEM (1/11)
13B VEHICLE ELECTRIC SYSTEM (2/11)
13C CONTROL UNIT (3/11)
13D BATTERY HOLDER (4/11)
13E ELECTRICAL DEVICES (5/11)
13F ELECTRICAL DEVICES (6/11)
13G ELECTRICAL DEVICES (7/11)
14A HEADLIGHT (8/11)
14B TAILLIGHT (9/11)
14C TURN INDICATORS (10/11)
15A INSTRUMENT PANEL (11/11)
02A SHIFT CAM - FORK (1/18)
03A GEAR BOX (2/18)
03B CLUTCH (3/18)
04A CLUTCH COVER (4/18)
04B GENERATOR COVER (5/18)
04C OIL PAN (6/18)
05A CONNECTING RODS (7/18)
06A CYLINDERS - PISTONS (8/18)
07A TIMING SYSTEM (9/18)
08A OIL PUMP (10/18)
09A HALF-CRANKCASES PAIR (11/18)
09B HALF-CRANKCASES PAIR (12/18)
10A WATER PUMP (13/18)
11A ELECTRIC STARTING AND IGNITION (14/18)
12A FRONT HEAD - TIMING SYSTEM (15/18)
12B REAR HEAD - TIMING SYSTEM (16/18)
12C FRONT HEAD (17/18)
12D REAR HEAD (18/18)
16A SIDE STAND (1/53)
17A FRONT SPROCKET - CHAIN (2/53)
18A STEERING HEAD BASE ASSEMBLY (3/53)
18B FRONT FORK (4/53)
19A REAR SWINGING ARM (5/53)
20A FRONT BRAKE PUMP (6/53)
20B FRONT BRAKE SYSTEM (7/53)
20C ANTI LOCK BRAKE SYSTEM (8/53)
20D REAR BRAKE SYSTEM (9/53)
21A PLATE HOLDER (10/53)
21A PLATE HOLDER (11/53)
21A PLATE HOLDER (12/53)
21A PLATE HOLDER (13/53)
22A HANDLEBAR AND CONTROLS (14/53)
22B CLUTCH PUMP (15/53)
23A REAR SHOCK ABSORBER (16/53)
24A FRONT MUDGUARD (17/53)
25A RADIATOR, WATER,RH (18/53)
25B RADIATOR, WATER, LH (19/53)
25C COOLING CIRCUIT (20/53)
26A FOOTRESTS, LEFT (21/53)
26B FOOTRESTS, RIGHT (22/53)
26C REAR FOOTREST (23/53)
27A REAR MUDGUARD (24/53)
28A FRONT WHEEL (25/53)
29A REAR WHEEL (26/53)
29B REAR WHEEL SPINDLE (27/53)
30A TANK (28/53)
30B FUEL PUMP (29/53)
30C CANISTER FILTER (30/53)
30C CANISTER FILTER (31/53)
31A EXHAUST MANIFOLD (32/53)
31A EXHAUST MANIFOLD (33/53)
31B SILENCER (34/53)
31C SECONDARY AIR SYSTEM (35/53)
32A RIDER AND PASSENGER SEAT (36/53)
33A FRONT SUBFRAME (37/53)
33B FRAME (38/53)
33C FRAME PLATE UNIT (39/53)
33D REAR FRAME COMP. (40/53)
33D REAR FRAME COMP. (41/53)
34A OIL COOLER (42/53)
35A AIR INTAKE - OIL BREATHER (43/53)
36A THROTTLE BODY (44/53)
37A COWLING (45/53)
37B HEALDIGHT FAIRING SUPPORT (46/53)
37C AIR CONVEYOR (47/53)
37D TANK COVER (48/53)
37E COVER , FRAME RH (49/53)
37F COVER , FRAME LH (50/53)
37G SUMP GUARD (51/53)
37H PILLION RIDER GRIP REAR (52/53)
39A POSITIONING PLATES (53/53)
01A DDS TESTER (1/4)
01B WORKSHOP SERVICE TOOLS (2/4)
01C WORKSHOP SERVICE TOOLS (ENGINE) (3/4)
01D WORKSHOP SERVICE TOOLS (FRAME) (4/4)
Register here!
Log in to your account
0
0.00
Log in to your account
0
0.00
-
1
1
1
1
1
1
1
1
1
1
1
1
1
1
1
2
2
2
2
2
2
2
2
2
2
3
4
5
6
6
6
7
8
9
10
11
12
13
14
15
16
17
17
18
18
19
Productos
* All prices are excl. VAT
Value in currencies other than in Euro (€) are only an indication.
American dollar ($)
Argentine Peso ($)
Australian Dollar ($)
British pounds (£)
Cambodia Riel (៛)
Canadian dollar ($)
Chilean Peso ($)
China Yuan Renminbi (¥)
Colombia Peso ($)
Croatian Kuna (kn)
Czech Koruna (Kč)
Danish Krone (kr)
Euro (€)
Gibraltar Pound (£)
Hong Kong Dollar ($)
Hungarian Forint (Ft)
India Rupee (₹)
Indonesian Rupiah (Rp)
Japanese Yen (¥)
Kuwaiti Dinar (kwd)
Malaysian Ringgit (RM)
Mexican Peso ($)
New Israeli Sheqel (₪)
New Taiwan Dollar (NT$)
New Zealand Dollar ($)
North Korean Won (₩)
Norwegian Krone (kr)
Paraguayan Guarani (Gs)
Peruvian Sol (S/.)
Philippine Peso (₱)
Polish Zloty (zł)
Russian Ruble (₽)
Singapore Dollar ($)
South African Rand (R)
South Korean Won (₩)
Swedish Krona (kr )
Swiss Franc (CHF)
Thai Baht (฿)
Turkisch Lira (₺)
Uruguayan Peso ($U)
No.
Código
Nombre
Pos
Precio
No.
Código
Nombre
pos
Precio
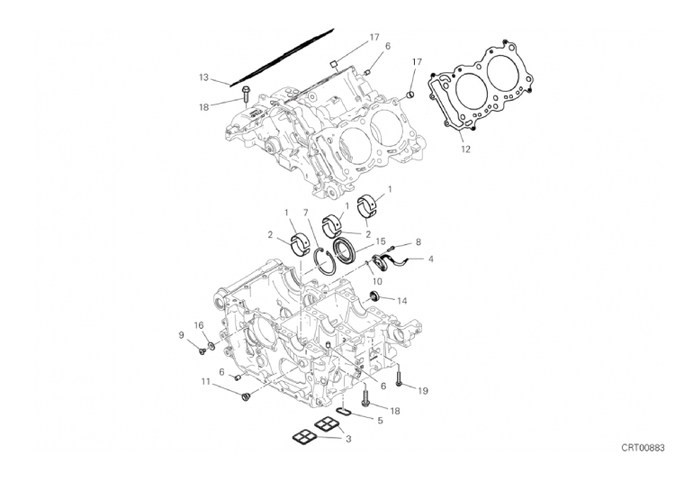
1
11210942AD
HALF-BEARING BLACK UPPER
1
€
23.14
1
11210942AE
HALF-BEARING GREEN UPPER
1
€
23.14
1
11210942AB
HALF-BEARING BLUE UPPER
1
€
23.14
1
11210942AC
HALF-BEARING YELLOW UPPER
1
€
23.14
1
11210942AA
HALF-BEARING RED UPPER
1
€
23.14
2
11210952AC
HALF-BEARING YELLOW LOWER
2
€
18.26
2
11210952AD
HALF-BEARING BLACK LOWER
2
€
18.26
2
11210952AA
HALF-BEARING RED LOWER
2
€
18.26
2
11210952AE
HALF-BEARING GREEN LOWER
2
€
18.26
2
11210952AB
HALF-BEARING BLUE LOWER
2
€
18.26
3
42710241A
OIL NET FILTER
3
€
4.02
4
55243942B
GEARBOX POSITION SENSOR
4
€
54.45
5
88650831A
O-RING
5
€
0.93
6
7111E551A
LOCAT. DOWEL
6
€
5.15
7
735034405
SNAP RING
7
€
1.96
8
77156209E
SCREW
8
€
4.02
9
77240393C
SCREW TBEIF M6X10 10.9
9
€
0.93
10
85250871A
WASHER
10
€
0.93
11
78010511C
PLUG
11
€
2.99
12
78611541B
GASKET, CYLINDER HEAD FRONT
12
€
58.78
13
78611551B
GASKET, CYLINDER HEAD (REAR)
13
€
58.78
14
93041592A
SEAL RING
14
€
5.52
15
93042221A
SEAL RING
15
€
11.25
16
85212661A
WASHER
16
€
0.93
17
71116941A
BUSH
17
€
1.96
18
77251344C
SCREW
18
€
1.96
19
77253354C
SCREW
19
€
0.93
Añadir a la cesta
11210942AD
HALF-BEARING BLACK UPPER
€ 23.14
11210942AE
HALF-BEARING GREEN UPPER
€ 23.14
11210942AB
HALF-BEARING BLUE UPPER
€ 23.14
11210942AC
HALF-BEARING YELLOW UPPER
€ 23.14
11210942AA
HALF-BEARING RED UPPER
€ 23.14
Añadir a la cesta
11210952AC
HALF-BEARING YELLOW LOWER
€ 18.26
11210952AD
HALF-BEARING BLACK LOWER
€ 18.26
11210952AA
HALF-BEARING RED LOWER
€ 18.26
11210952AE
HALF-BEARING GREEN LOWER
€ 18.26
11210952AB
HALF-BEARING BLUE LOWER
€ 18.26
Añadir a la cesta
42710241A
OIL NET FILTER
€ 4.02
Añadir a la cesta
55243942B
GEARBOX POSITION SENSOR
€ 54.45
Añadir a la cesta
88650831A
O-RING
€ 0.93
Añadir a la cesta
7111E551A
LOCAT. DOWEL
€ 5.15
Añadir a la cesta
735034405
SNAP RING
€ 1.96
Añadir a la cesta
77156209E
SCREW
€ 4.02
Añadir a la cesta
77240393C
SCREW TBEIF M6X10 10.9
€ 0.93
Añadir a la cesta
85250871A
WASHER
€ 0.93
Añadir a la cesta
78010511C
PLUG
€ 2.99
Añadir a la cesta
78611541B
GASKET, CYLINDER HEAD FRONT
€ 58.78
Añadir a la cesta
78611551B
GASKET, CYLINDER HEAD (REAR)
€ 58.78
Añadir a la cesta
93041592A
SEAL RING
€ 5.52
Añadir a la cesta
93042221A
SEAL RING
€ 11.25
Añadir a la cesta
85212661A
WASHER
€ 0.93
Añadir a la cesta
71116941A
BUSH
€ 1.96
Añadir a la cesta
77251344C
SCREW
€ 1.96
Añadir a la cesta
77253354C
SCREW
€ 0.93
Add to claim
11210942AD
HALF-BEARING BLACK UPPER
€23.14
11210942AE
HALF-BEARING GREEN UPPER
€23.14
11210942AB
HALF-BEARING BLUE UPPER
€23.14
11210942AC
HALF-BEARING YELLOW UPPER
€23.14
11210942AA
HALF-BEARING RED UPPER
€23.14
Add to claim
11210952AC
HALF-BEARING YELLOW LOWER
€18.26
11210952AD
HALF-BEARING BLACK LOWER
€18.26
11210952AA
HALF-BEARING RED LOWER
€18.26
11210952AE
HALF-BEARING GREEN LOWER
€18.26
11210952AB
HALF-BEARING BLUE LOWER
€18.26
Add to claim
42710241A
OIL NET FILTER
€4.02
Add to claim
55243942B
GEARBOX POSITION SENSOR
€54.45
Add to claim
88650831A
O-RING
€0.93
Add to claim
7111E551A
LOCAT. DOWEL
€5.15
Add to claim
735034405
SNAP RING
€1.96
Add to claim
77156209E
SCREW
€4.02
Add to claim
77240393C
SCREW TBEIF M6X10 10.9
€0.93
Add to claim
85250871A
WASHER
€0.93
Add to claim
78010511C
PLUG
€2.99
Add to claim
78611541B
GASKET, CYLINDER HEAD FRONT
€58.78
Add to claim
78611551B
GASKET, CYLINDER HEAD (REAR)
€58.78
Add to claim
93041592A
SEAL RING
€5.52
Add to claim
93042221A
SEAL RING
€11.25
Add to claim
85212661A
WASHER
€0.93
Add to claim
71116941A
BUSH
€1.96
Add to claim
77251344C
SCREW
€1.96
Add to claim
77253354C
SCREW
€0.93